太平洋セメント株式会社により出願された特許
1 - 10 / 1,449
土壌解砕装置
Notice: Undefined index: from_cache in /mnt/www/gzt_applicant_list.php on line 189
放射能汚染土壌の除染方法
Notice: Undefined index: from_cache in /mnt/www/gzt_applicant_list.php on line 189
スパッタリングターゲット材およびその製造方法
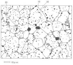
【課題】特有の組成により、安定してスパッタ中の異常放電を防止できるスパッタリングターゲット材およびその製造方法を提供する。
【解決手段】酸化亜鉛質焼結体からなるスパッタリングターゲット材であって、密度が5.4×103kg/m3以上5.6×103kg/m3以下で、Al2O3換算で1重量%以上3重量%以下のAlを含み、酸化亜鉛粒子10中に存在するZnAl2O4粒子20の粒子径は3μm以下であり、酸化亜鉛粒界中に存在するZnAl2O4粒子20の径は10μm以下である。このように僅かにボイドが存在する緻密な焼結体であるため、放電回数を低減しつつ、スパッタ中の割れを防止できる。また、適度にAlが含まれていることから体積抵抗率を低減できる。また、ZnAl2O4粒子20が小さいため、抵抗の不均一相を小さくし、ZnAl2O4粒子20を起点とする異常放電を防止できる。
(もっと読む)
窒化アルミニウム焼結体およびその製造方法
【課題】3A族の酸化物をはじめとする焼結助剤は含有しておらず、研削加工を行っても表面粗さの小さい窒化アルミニウム焼結体およびその製造方法を提供する。
【解決手段】耐食性を有する純度99%以上の窒化アルミニウム焼結体であって、密度が3.20×103kg/m3以上であり、Caを200ppm以上400ppm以下、Siを10ppm以上100ppm以下、Cを220ppm以上1500ppm以下含有する。窒化アルミニウム焼結体は、3A族の酸化物をはじめとする焼結助剤を含有せず、緻密化を促進する物質であるCaと阻害する物質であるSiおよびCを所定量含有する。これにより、研削面において窒化アルミニウム焼結体の表面粗さを小さくすることが可能となる。その結果、研削面の表面積が小さくなり、窒化アルミニウム焼結体の耐食性を向上させることができる。
(もっと読む)
炭化珪素を含む耐火物の製造方法
【課題】気相法を用いずに、低コストで高純度の炭化珪素からなる原料を得た後、この原料を用いて高強度の耐火物を製造する方法を提供する。
【解決手段】アチソン炉を用いて、粒子内にシリカとカーボンの各々が全体的に分布しており、かつ、B及びPの各々の含有率が1ppm以下である、シリカとカーボンからなる粒子を加熱して、炭化珪素からなる塊状物を得る、炭化珪素製造工程と、上記炭化珪素からなる塊状物を粉砕して、炭化珪素の粒状物からなる不定形耐火物を得る、不定形耐火物調整工程と、を含む、炭化珪素を含む不定形耐火物の製造方法。
(もっと読む)
セメントキルン排ガスの処理システム及びその運転方法
【課題】水銀と有機汚染物質の両方のセメント製造装置からの排出量を包括的に効率よく低減する。
【解決手段】セメント焼成装置のプレヒータ3から排出されるガスG2にガス吸着材Aを添加するガス吸着材添加装置7と、プレヒータの排ガスに含まれるダストを集塵する集塵装置8と、集塵したダストDに含まれる水銀を回収する水銀回収装置9とを備えるセメントキルン排ガス処理システム1。集塵装置で集塵したダストを直接プレヒータへ戻す第1循環ルート11と、集塵装置で集塵したダストを水銀回収装置を経由してプレヒータへ戻す第2循環ルート12と、集塵装置で集塵したダストを直接セメントキルンの窯尻へ戻す第3循環ルート13と、集塵装置で集塵したダストを水銀回収装置を経由してセメントキルンの窯尻へ戻す第4循環ルート14とを備えることができる。
(もっと読む)
高純度炭化珪素ウィスカー、及びその製造方法
【課題】高純度の炭化珪素ウィスカーを提供する。
【解決手段】B及びPの各々の含有率が1ppm以下である高純度炭化珪素ウィスカー。
珪酸質原料と炭素質原料の混合物からなるペレットを、非酸化性雰囲気下で加熱して高純度炭化珪素ウィスカーを得る方法であって、上記ペレットのかさ密度を上記ペレットの真密度で除した値が0.5〜0.8となるように上記ペレットを集合させて、上記加熱を行う、高純度炭化珪素ウィスカーの製造方法。
(もっと読む)
排ガス中の有機塩素化合物を吸着する吸着材、並びに、その製造方法及び使用方法
【課題】排ガスに含まれる有機塩素化合物、特にダイオキシン類を低コストで効率よく吸着除去することができる吸着材、その製造方法及び使用方法を提供する。
【解決手段】多孔質の炭素質の粒子であって、比表面積が30m2/g以上、メソ孔の細孔容積が0.03mL/g以上の構造を有する疎水性固体状未燃炭素を含むことを特徴とする排ガス中の有機塩素化合物を吸着する吸着材。疎水性固体状未燃炭素を含有する原料を、非極性有機溶媒と水を用いて液液抽出により、該非極性有機溶媒側に含まれる疎水性物質と水側に含まれる親水性物質とに分離し、該分離した疎水性物質を無機酸処理することにより疎水性固体状未燃炭素を含む吸着材を抽出する。該吸着材を、排ガスに添加して排ガス中の有機塩素化合物を吸着除去することができる。
(もっと読む)
セメントクリンカおよびセメント組成物
【課題】本発明は、より多くの廃棄物等をクリンカ原料に用いることができ、流動性に優れ、流動性の経時変化が少なく、強度発現性に優れるセメント組成物等を提供する。
【解決手段】本発明は、C3Sを66.5〜71質量%、C2Sを6〜11質量%、C3Aを8.5〜11質量%、および、C4AFを9.0〜12.0質量%、並びに、クリンカ1kgに対しMoを30mg以下含むセメントクリンカを提供する。また、前記セメントクリンカ100質量部に対し、石膏をSO3換算で1.5〜5.0質量部含むセメント組成物を提供する。
(もっと読む)
放射性セシウムの除去方法及び除去装置
【課題】放射性セシウムを含む廃棄物から低コストで放射性セシウムを除去する方法及び装置を提供する。
【解決手段】放射性セシウムで汚染された可燃性廃棄物を燃焼焼却する焼却炉22と、焼却炉から排出される燃焼排ガスG5及び可燃物Cの焼却灰の顕熱を用いて、酸化カルシウム源又は/及び酸化マグネシウム源から酸化カルシウム又は/及び酸化マグネシウムを生成する、サイクロンを多段に配列したサスペンションプレヒータ23と、放射性セシウムで汚染された無機物Sを、酸化カルシウム又は/及び酸化マグネシウム並びに焼却灰D3と共に焼成するロータリーキルン21と、ロータリーキルンにおいて揮発したセシウムを回収する回収装置31、32とを備える放射性セシウムの除去装置1。
(もっと読む)
1 - 10 / 1,449
[ Back to top ]


